| STMP57M一体化步进伺服电机 | ||
| 
 | 集成步进电机、单圈/多圈绝对值编码器、驱动器和数字量 IO 于一体,采用 FOC 磁场定向控制技术和 SVPWM(空间矢量调制)技术,支持CANopen、RS485、EtherCAT通信总线控制,具有体积小,接线简单等特点。配合NIMStudio软件,可实现电机的参数设置和故障诊断功能,适用于多种小型设备。 | |
|  特点 ● IP65防护等级 ● 17位单圈/多圈绝对值编码器 ● 完善的诊断报警功能 ● 集成驱动器和控制器 ● 可选刹车 ● 共振抑制 | ||
| 
 | 结构示意图 | 
|  | 
|  | 技术规格 | ||||||||
| 型号 | 额定电压(VDC) | 额定电流(A) | 保持力矩(N·m) | 步距角(°) | 相数 | 集成编码器 | 机身长度(mm) | 重量(Kg) | |
| STMP5756B-*-M | 48 | 5.0 | 1.1 | 1.8 | 2相 | 17位绝对值单圈编码器 | 81 | 0.83 | |
| STMP5756B-*-M-B | 3.0 | 1.2 | 111.5 | 1.18 | |||||
| STMP5776B-*-M | 5.0 | 1.8 | 102 | 1.15 | |||||
| STMP5776B-*-M-B | 4.2 | 1.8 | 131.5 | 1.54 | |||||
| STMP57B5B-*-M | 6.0 | 3.0 | 138 | 1.84 | |||||
| STMP5756D-*-M | 48 | 5.0 | 1.1 | 1.8 | 2相 | 17位绝对值多圈编码器 | 81 | 0.83 | |
| STMP5756D-*-M-B | 3.0 | 1.2 | 111.5 | 1.18 | |||||
| STMP5776D-*-M | 5.0 | 1.8 | 102 | 1.15 | |||||
| STMP5776D-*-M-B | 4.2 | 1.8 | 131.5 | 1.54 | |||||
| STMP57B5D-*-M | 6.0 | 3.0 | 138 | 1.84 | |||||
| ※注:*表示CANopen、RS-485、EtherCAT通信方式可选,轴径Φ8 ;制动器保持力矩≥1.5N·m | |||||||||
| 
 | 技术参数 | |
| 电压范围 | • 16VDC-52VDC | |
| 防护等级 | • IP65 | |
| LED指示灯 | • 黄绿双色显示 | |
| 控制模式 | • CiA402模式:PP、VM、PV、PT、HM、IP、CSP、CSV、CST • NiMotion模式:速度模式、位置模式、转矩模式 | |
| 编码器 | • B:17位单圈绝对值编码器;D:17位多圈绝对值编码器 • CANopen/485 通信:ABZ 模式下≥11 位;±0.1°(高精度校准后可达到±0.05°, 需单独定制);外接电池额定电压:3.6V(多圈支持) | |
| 通信方式 | • CANopen、Modbus、EtherCAT | |
| 驱动方式 | • 采用FOC磁场定向控制技术和SVPWM(空间矢量调制技术) | |
| 数字量输入(DI) | • CANopen/485通信:3个,高速双向光耦支持电压12~24V,低电平时0~0.5V,支持NPN、PNP,推挽输入(传感器)最大电流8.5mA,24V • EtherCAT通信:3个,EtherCAT通信的高电平:5~24V,低电平时0~0.5V,支持NPN、PNP,最大电流8.5mA,24V • 可配置功能:作为开关使用; 作为脉冲输入通道使用(EtherCAT通信的不可用) | |
| 数字量输出(DO) | • CANopen/485通信(定制):1个,输出方式:开漏输出 • EtherCAT通信:2个,开漏输出,DO负载最大电流0.5A,最大电压52V;DO负载最大电流500mA,最大电压52V | |
| 模拟量输入(AI) (需定制) (COE通信不支持) | • 数量:1 个;输入方式:单端输入;信号种类:电压信号; •分辨率:12bit;电压:0~10V • 可配置功能:死区、滤波、偏置、倍率、方向 | |
| 故障诊断和复位 | • 过压、欠压、过温、堵转、存储故障、超限检测、跟踪故障、目标位置溢出故障、曲线规划参数过小故障等故障 • 报警为自复位,故障为手动复位 | |
| 特色功能 | • 故障诊断、故障复位、软限位、参数识别、可设参数、增益切换、共振抑制、低频抑制、参数保存设置、在线升级 | |
| 工作环境 | • 工作环境温度: 0℃~40℃;工作环境相对湿度: 10%RH~85%RH 无凝结 • 储存环境温度: -40℃~85℃,无凝结;污染程度 SO2:<0.5ppm; H2S:<0.1ppm • 海拔高度:-300m~3000m • 安装环境:无腐蚀性气体、易燃物、油雾等,无强震动 • 安装方式:水平或垂直 | |
| 
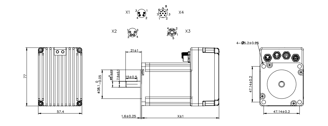
 | 外形尺寸 | 
| 
 标准款 | |
| 
 制动器款 | 
| 
 | 转矩——转速特性 | 
| 
 
 | 
 
	
	




