STM42一体化丝杆步进电机 | ||
| STM42一体化丝杆步进电机支持CANopen和485总线控制,POM丝杆螺母,可配置数字量输入输出,专业丝杆步进电机驱动器生产厂家 | |
特点 ● POM丝杆螺母 ● 多种控制模式 ● 集成数字量输入输出 ● 完善的诊断报警功能 ● 16段位置/速度功能&S型曲线规划 ● 通过陷波器进行共振抑制/低频振动抑制 ● 支持多平台软件开发工具包(SDK) | ||
| 结构示意图 |
|
![]() | 技术规格 | |||||||||
| 型号 | 额定电压(VDC) | 额定电流(A) | 保持力矩(N·m) | 推力(N) | 负载(N) | 机身长度(mm) | 螺纹导程(mm) | 步长@1.8°(mm) | 自锁力(N) | |
STM4234B-CANopen-M-1ZB STM4234B-485-M-1ZB | 24 | 1.5 | 0.25 | 300 | 150 | 52.5 | 1.27 | 0.0064 | 150 | |
| 210 | 140 | 2.54 | 0.0127 | 100 | ||||||
| 180 | 112 | 3.175 | 0.0159 | 40 | ||||||
| 100 | 70 | 6.35 | 0.0318 | 15 | ||||||
| 50 | 28 | 12.7 | 0.0635 | 3 | ||||||
| 40 | 15 | 25.4 | 0.127 | 0 | ||||||
STM4248B-CANopen-M-1ZB STM4248B-485-M-1ZB | 2.5 | 0.48 | 450 | 320 | 66.5 | 1.27 | 0.0064 | 150 | ||
| 300 | 210 | 2.54 | 0.0127 | 100 | ||||||
| 270 | 215 | 3.175 | 0.0159 | 40 | ||||||
| 155 | 109 | 6.35 | 0.0318 | 15 | ||||||
| 70 | 54 | 12.7 | 0.0635 | 3 | ||||||
| 55 | 29 | 25.4 | 0.127 | 0 | ||||||
| ※注:支持CANopen、RS485通信方式,丝杆直径:6.35mm;最大推力:600N,建议负载上限:230N | ||||||||||
| 技术参数 | |
| 输入电压 | • 12VDC~36VDC | |
| 丝杆精度 | • 丝杆精度:0.18mm/300mm • 丝杆直线度:0.2mm/300mm • 背隙:0.02 | |
| 丝杆/螺母寿命 | • 取决于负载、速度和环境,一般为数百万次循环 | |
| 控制模式 | • CiA402模式:PP、VM、PV、PT、HM、IP、CSP、CSV、CST • NiMotion模式:速度模式、位置模式、转矩模式 | |
| 故障诊断 | • 过压欠压过温硬件故障堵转过载超速初始化故障存储故障超限检测原点回 归超时跟踪故障目标位置溢出故障曲线规划参数过小故障等 • 报警为自复位,故障为手动复位 | |
| 编码器 | • 集成 2500 线磁编码器 | |
| 通信方式 | • CANopen、Modbus通信方式 | |
| 驱动方式 | • 采用FOC磁场定向控制技术和SVPWM(空间矢量调制技术) | |
| DI(数字量输入) | • 数量3个,最大 PWM 脉冲频率 2MHz;逻辑 1 信号:5 或 24V; 逻辑 0 信号:0~2V • 可配置功能:1. 使能;2. 正负限位;3. 原点开关;4. 报警复位;5. 暂停; 6. 多段运行指令切换 | |
| DO(数字量输出) | • 数量2个,输出方式:MOS 开漏输出;最大负载电流 100mA,最大电压 30V; • 可配置功能:1.电机运行停止;2.目标达到;3.报警输出 | |
| AI(数字量输出) | • 数量1个,输入方式:单端输入;电压信号, 分辨率:12bit ,电压:0~10V;精度:引用误差≤1% • 可配置功能:死区、滤波、偏置、倍率、方向 | |
| 工作环境 | • 温度:0℃~40℃ • 湿度:10%RH~85%RH • 海拔高度:-300m~3000m • 安装环境:无腐蚀性气体、易燃物、油雾等,无强震动 • 安装方式:水平或垂直 | |
| 特色功能 | • 故障诊断、故障复位、软限位、参数识别、可设参数、增益切换、共振抑制、低频抑 制、参数保存恢复、在线升级 | |
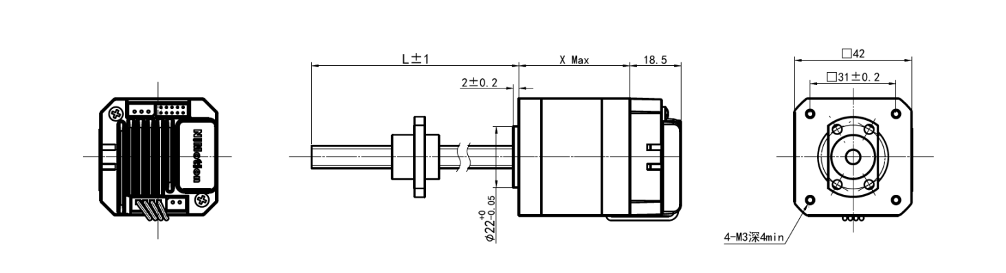
| 外形尺寸 |
|
| 转矩——转速特性 |
|





