STM35一体化丝杆步进电机 | ||
| STM35一体化丝杆步进电机支持CANopen和485总线控制,POM丝杆螺母,可配置数字量输入输出,专业丝杆步进电机驱动器生产厂家 | |
特点 ● POM丝杆螺母 ● 多种控制模式 ● 集成数字量输入输出 ● 完善的诊断报警功能 ● 16段位置/速度功能&S型曲线规划 ● 通过陷波器进行共振抑制/低频振动抑制 ● 支持多平台软件开发工具包(SDK) | ||
| 结构示意图 |
|
![]() | 技术规格 | |||||||||
| 型号 | 额定电压(VDC) | 额定电流(A) | 保持力矩(N·m) | 推力(N) | 负载(N) | 机身长度(mm) | 螺纹导程(mm) | 步长@1.8°(mm) | 自锁力(N) | |
STM3534B-CANopen-M-1ZB STM3534B-485-M-1ZB | 24 | 1.5 | 0.18 | 150 | 91 | 50 | 1.27 | 0.0064 | 150 | |
| 110 | 63 | 2.54 | 0.0127 | 70 | ||||||
| 100 | 58 | 3.175 | 0.0159 | 40 | ||||||
| 80 | 42 | 6.35 | 0.0318 | 15 | ||||||
| 35 | 20 | 12.7 | 0.0635 | 3 | ||||||
| 25 | 10 | 25.4 | 0.127 | 0 | ||||||
STM3548B-CANopen-M-1ZB STM3548B-485-M-1ZB | 0.35 | 210 | 157 | 63 | 1.27 | 0.0064 | 150 | |||
| 155 | 109 | 2.54 | 0.0127 | 70 | ||||||
| 145 | 100 | 3.175 | 0.0159 | 40 | ||||||
| 110 | 72 | 6.35 | 0.0318 | 15 | ||||||
| 40 | 34 | 12.7 | 0.0635 | 3 | ||||||
| 35 | 17 | 25.4 | 0.127 | 0 | ||||||
| ※注:支持CANopen、RS485通信方式,丝杆直径:6.35mm | ||||||||||
| 技术参数 | |
输入电压 | • 10VDC~30VDC | |
| 丝杆精度 | • 丝杆精度:0.18mm/300mm • 丝杆直线度:0.2mm/300mm • 背隙:0.02 | |
| 丝杆/螺母寿命 | • 取决于负载、速度和环境,一般为数百万次循环 | |
| 控制模式 | • CIA402模式:PP、VM、PV、PT、HM、IP、CSP、CSV、CST • NiMotion模式:速度模式、位置模式、转矩模式 | |
| 故障诊断 | • 过压、欠压、过温、堵转、存储故障、超限检测、跟踪故障、目标位置溢出故障、曲线规划参数过小等故障 • 报警为自复位,故障为手动复位 | |
| 编码器 | • 2500线编码器 | |
| 通信方式 | • CANopen、Modbus通信方式 | |
| 驱动方式 | • 采用FOC磁场定向控制技术和SVPWM(空间矢量调制技术) | |
| 数字量输入/输出(DI/DO) | • DI:数量3个,频率≤200KHz;支持5V~30V两种电平输入 • DO:数量2个,0.5A@30V,最大脉冲频率1MHz 输出方式:MOS集电极开漏输出、NPN 可配置功能:1.电机运行停止;2.目标达到;3.报警输出 | |
| 工作环境 | • 温度:0℃~40℃ • 湿度:10%RH~85%RH • 海拔高度:-300m~3000m • 安装环境:无腐蚀性气体、易燃物、油雾等,无强震动 • 安装方式:水平或垂直 | |
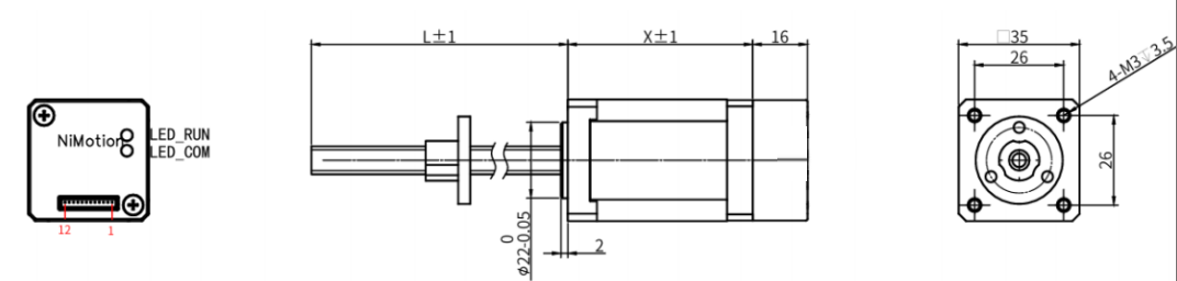
| 外形尺寸 |
|
| 转矩——转速特性 |
|





