STM28一体化步进电机 | ||
| STM一体化步进电机产品凭借其优秀的闭环控制系统和一体化开发理念,集成步进电机、编码器、驱动器于一体,支持 CAN 和 RS485、CANopen通信总线控制,具有体积小,接线简单的特点。 | |
特点 ● 简约设计 ● 集成数字量输入输出 ● 完善的诊断报警功能 ● 闭环/开环控制 ● 集成驱动器和控制器 ● 集成高精度编码器 ● 高效的原点返回与设定 | ||
| 结构示意图 |
![]() |
![]() | 技术规格 | |||||||
| 型号 | 额定压(VDC) | 额定电流(A) | 保持力矩(N·m) | 步距角(°) | 相数 | 机身长度(mm) | 重量(Kg) | |
| STM2832A | 24 | 1 | 0.05 | 1.8 | 2相 | 47 | 0.11 | |
| STM2851A | 65.5 | 0.20 | ||||||
| ※注:可选CAN/CANopen/RS-485 通信方式,轴径:Φ5,可选开环型号 | ||||||||
| 技术参数 | |
电压范围 | • 12VDC~30VDC | |
| 电流 | • 怠机电流 0~3A 可设 • 运行电流 0~3A 可设 | |
掉电保护手段 | • EEPROM | |
控制模式 | • 位置模式、速度模式、原点回归模式(CAN/RS485 通信支持) | |
数字量输入输出(DI/DO) | • DI:数量3个;通道类型: 电平输入、无源触点输入,逻辑 1 信号:5~24VDC,逻辑 0 信号:0~2VDC;不隔离 • DO:数量2个,输出方式:MOS 开漏输出,负载最大电流 100mA,最大电压30V | |
编码器 | • 14 位高分辨率绝对值编码器(闭环支持) | |
通信方式 | • 可选CAN/CANopen,RS-485,RS-232通信方式 | |
细分 | • 1、2、4、8、16 细分可设置 | |
故障报警功能 | • 过流保护:0~6A 可设 • 电源过压/欠压:采集到的母线电压高于过压/欠压报警设定值时, 产生过压/欠压报警 • 过热报警:驱动过热超过内部设定温度,产生报警 • 堵转报警:可通过参数设置堵转阈值(闭环支持) | |
使用环境 | • 工作环境:温度 0℃~40℃,相对湿度 10%RH~85%RH 无凝结 • 储存环境:温度 -40℃~85℃,相对湿度 5%RH~95%RH,无凝结 • 污染程度 SO2:<0.5ppm; H2S:<0.1ppm • 海拔高度:≤1000m | |
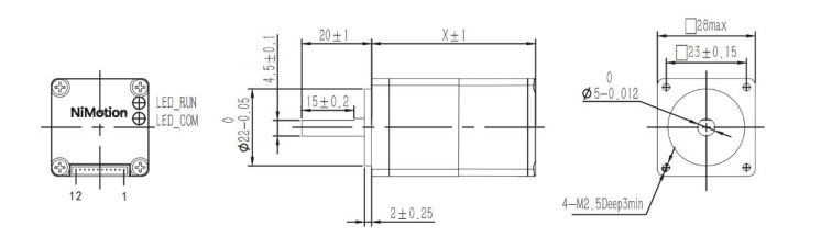
| 外形尺寸 |
|
| 转矩——转速特性 |
|





