STM35MC一体化步进伺服电机 | ||
| STM35MC一体化步进伺服电机是高性能小功率的步进伺服产品。凭借其优秀的闭环控制系统和一体化开发理念,集成步进电机、编码器、驱动器于一体,采用FOC磁场定向控制技术,支持CANopen和485总线控制,具有体积小,接线简单的特点。 | |
● 集成单圈高精度编码器 ● 高效的原点返回与设定 ● 集成数字量输入输出 ● 多种控制模式 ● 16段位置/速度功能&S型曲线规划 ● 通过陷波器进行共振抑制/低频振动抑制 ● 支持多平台软件开发工具包(SDK) | ||
| 结构示意图 |
![]() |
![]() | 技术规格 | ||||||
| 型号 | 额定电压 | 额定电流 | 保持力矩 | 转动惯量 | 机身长度 | 重量 | |
STM3528B(B1)-CANopen-MC | 24VDC | 1.0A | 0.16 N˙m | 10kg˙m2X10-7 | 44mm | 0.16kg | |
STM3528B(B1)-485-MC | 0.16 N˙m | 10kg˙m2X10-7 | 44mm | 0.16kg | |||
STM3534B(B1)-CANopen-MC | 0.18 N˙m | 14kg˙m2X10-7 | 50mm | 0.21kg | |||
STM3534B(B1)-485-MC | 0.18 N˙m | 14kg˙m2X10-7 | 50mm | 0.21kg | |||
STM3548B(B1)-CANopen-MC | 0.40 N˙m | 40kg˙m2X10-7 | 63.7mm | 0.30kg | |||
STM3548B(B1)-485-MC | 0.40 N˙m | 40kg˙m2X10-7 | 63.7mm | 0.30kg | |||
STM3554B(B1)-CANopen-MC | 0.45 N˙m | 26kg˙m2 X10-7 | 70mm | 0.34kg | |||
STM3554B(B1)-485-MC | 0.45 N˙m | 26kg˙m2X10-7 | 70mm | 0.34kg | |||
| ※注:可选CANopen、RS485通信方式,轴径:Φ5;B-17 位单圈绝对值编码 B1-17 位单圈高精度绝对值编码器 | |||||||
| 技术参数 | |
电压范围 | • 12VDC~30VDC | |
| LED指示灯 | • 黄绿双色显示 | |
控制模式 | • CiA402模式:PP(轮廓位置模式)、VM(速度模式)、PV(轮廓速度模式)、PT(轮廓转矩模式)、HM(原点回归模式)、IP(插补模式)、CSP(循环同步位置模式)、CSV(循环同步速度模式)、CST(循环同步转矩模式) • NiMotion模式:速度模式、位置模式、转矩模式 | |
数字量输入(DI) | • 数量3个,支持 PWM 脉冲输入,最大脉冲频率 1.2MHz;逻辑 1 信号:5~24V,逻辑 0 信号:0~2V 可配置功能: 1.使能 2.正负限位 3.原点开关 4. 报警复位 5.暂停 6. 多段运行指令切换 | |
数字量输出(DO1) | • 数量2个,输出方式:MOS集电极开漏输出,DO 负载最大电流 100mA,最大电压 30V 可配置功能:1.电机运行停止;2.目标达到;3.报警输出 | |
编码器 | • 17 位磁编码器(多圈绝对值记数,掉电自动存储) | |
| 驱动方式 | • 采用FOC磁场定向控制技术和SVPWM(Space Vector PWM,空间矢量脉宽调制) | |
通信方式 | • CANopen、Modbus | |
控制频率 | • 1KHz位置环,2KHz速度环,20KHz电流环 | |
故障诊断 | • 过压、欠压、过温、堵转、存储故障、超限检测、原跟踪故障、目标位置溢出故障、曲线规划参数过小故障等 • 报警为自复位,故障为手动复位 | |
工作环境 | • 工作环境温度: 0℃~40℃ / 工作环境相对湿度: 10%RH~85%RH 无凝结 • 储存环境相对温度 -40℃~85℃,无凝结 • 污染程度 SO2 :<0.5ppm; H2 S:< 0.1ppm • 海拔高度 ≤1000m • 安装方式:水平或垂直 | |
特色功能 | • 故障诊断、故障复位、软限位、参数识别、可设参数、增益切换、共振抑制、低频抑 制、参数保存设置、在线升级 | |
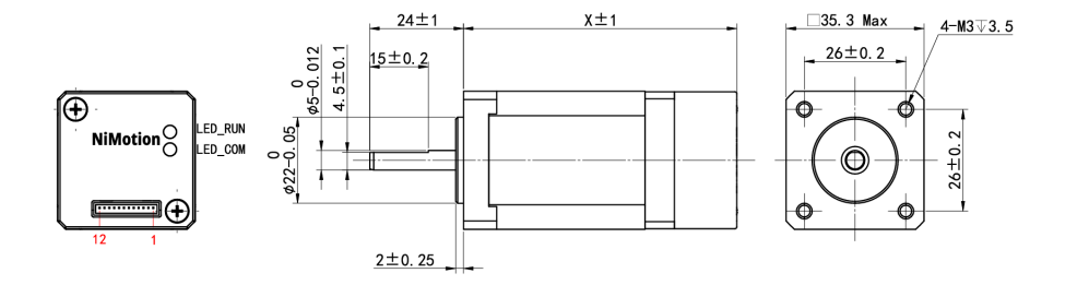
| 外形尺寸 |
|
| 转矩——转速特性 |
|





