STM86-PE一体化步进伺服电机 | ||
| STM86-P一体化步进伺服电机系列,闭环控制,集步进电机、驱动器、编码器于一体。采用FOC磁场定向控制,体积小,接线简单。支持CANopen和RS485通信,包含振动抑制,参数识别,预设增益参数等功能。
| |
特点 ● 全闭环 ● 伺服驱动算法 ● 17 位磁编码器(多圈绝对值记数,掉电自动存储) ● 总线控制,支持CANopen/RS485通信 ● 支持多种控制模式
| ||
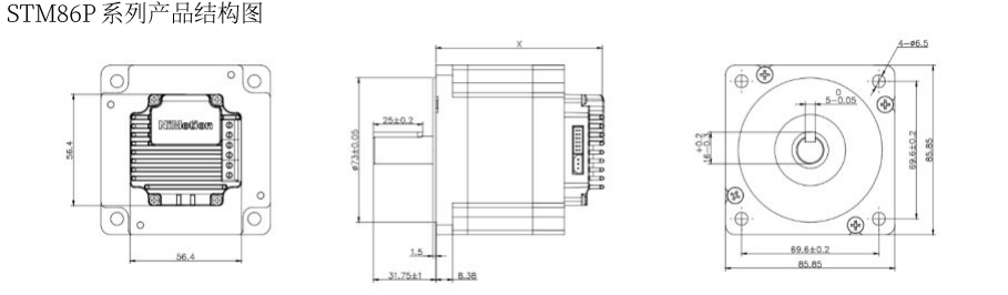
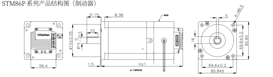
| 结构示意图 |
![]() |
![]() | 技术规格 | ||||||||
| 型号 | 额定电压(VDC) | 额定电流(A) | 保持力矩(N·m) | 惯量 (kg.m²×10-4 ) | 步距角(°) | 相数 | 机身长度(mm) | 重量(Kg) | |
| STM8665B-CANopen-P | 48 | 6.0 | 2.5 | 0.94 | 1.8 | 2相 | 85 | 1.7 | |
| STM8665B-485-P | 6.0 | 2.5 | 0.94 | 85 | 1.7 | ||||
| STM8665B-CANopen-P-B | 6.0 | 2.5 | 0.94 | 130 | 1.8 | ||||
| STM8665B-485-P-B | 6.0 | 2.5 | 0.94 | 130 | 1.8 | ||||
| STM8680B-CANopen-P | 5.5 | 3.7 | 1.40 | 100 | 2.4 | ||||
| STM8680B-485-P | 5.5 | 3.7 | 1.40 | 100 | 2.4 | ||||
| STM8680B-CANopen-P-B | 5.5 | 3.7 | 1.40 | 145 | 2.5 | ||||
| STM8680B-485-P-B | 5.5 | 3.7 | 1.40 | 145 | 2.5 | ||||
| STM86B8B-CANopen-P | 6.0 | 8.0 | 2.50 | 138 | 3.8 | ||||
| STM86B8B-485-P | 6.0 | 8.0 | 2.50 | 138 | 3.8 | ||||
| STM86B8B-CANopen-P-B | 6.0 | 8.0 | 2.50 | 183 | 3.9 | ||||
| STM86B8B-485-P-B | 6.0 | 8.0 | 2.50 | 183 | 3.9 | ||||
| STM86F6B-CANopen-P | 6.0 | 12 | 3.10 | 176 | 5.3 | ||||
| STM86F6B-485-P | 6.0 | 12 | 3.10 | 176 | 5.3 | ||||
| STM86F6B-CANopen-P-B | 6.0 | 12 | 3.10 | 221 | 5.4 | ||||
| STM86F6B-485-P-B | 6.0 | 12 | 3.10 | 221 | 5.4 | ||||
| ※注:支持CANopen总线、RS-485通信方式,-B表示刹车型号,轴径:Φ14 | |||||||||
| 技术参数 | |
| 电压范围 | • 16~72 VDC | |
| 编码器 | • 17 位磁编码器(多圈绝对值记数,掉电自动存储) | |
| 控制模式 | • CiA402模式:PP、VM、PV、PT、HM、IP、CSP、CSV、CST • NiMotion模式:速度模式、位置模式、转矩模式 | |
| DI ( 数字量输入 ) | • 数量3个,最大 PWM 脉冲频率 2MHz,可以连接外部直流电源:5~24V 可配置功能:作为开关使用;作为脉冲输入通道使用 | |
| DO ( 数字量输出 ) | • DO:数量1个,MOS 开漏输出,负载最大电流 500mA,最大电压 52V; 可配置功能:1.变通DO口;2.电机运行停止;3.目标达到;4.报警输出 | |
| AI ( 模拟量输入 ) | • 数量:1 个;输入方式:单端输入;信号种类:电压信号; •分辨率:12bit;电压:-10~+10V;引用误差≤1% • 可配置功能:死区、滤波、偏置、倍率、方向 | |
| 通信方式 | • CANopen、Modbus | |
| 驱动方式 | • 采用FOC磁场定向控制技术和SVPWM(空间矢量调制技术) | |
| 制动电阻 | • 内置 30Ω、16W 制动电阻,无法使用外置制动电阻 | |
| 故障诊断和复位 | • 过压、欠压、过温、堵转、存储故障、超限检测、跟踪故障、目标位置溢出故障、曲线规划参数过小等 • 报警为自复位,故障为手动复位 | |
| 工作环境 | • 温度0℃~40℃ • 相对湿度10%RH~85%RH • 海拔高度:-300m~3000m • 安装环境:无腐蚀性气体、易燃物、油雾等,无强震动 • 安装方式:水平或垂直 | |
| 特色功能 | • 软限位/参数识别/可设参数/增益切换/共振抑制/低频抑制/参数保存恢复/在线升级 | |
| 外形尺寸 |
|
| 转矩——转速特性 |
|







